Macchina per lo stampaggio ad iniezione ad alta precisione
K1850-SA
PREV PRODUCT:No previous article
NEXT PRODUCT:K1500-SA
Macchina per lo stampaggio ad iniezione ad alta precisione
| DESCRIZIONE | UNITÀ | K1850-SUN | ||||
| VAlUTAZIONE DELLE DIMENSIONI INTERNAZIONALI | 22000 | |||||
| A | B | C | D | |||
| GRUPPO INIEZIONE | DiameTro della vite | mm | 140 | 150 | 160 | 170 |
| Rapporto L:D della vite | 23.6 | 22 | 20.6 | 19.4 | ||
| Volume del tiro | cm3 | 11545 | 13254 | 15080 | 17024 | |
| Peso del colpo (PS) | G | 10506 | 12061 | 13723 | 15492 | |
| oz | 370.6 | 425.4 | 484.1 | 546.5 | ||
| Pressione di iniezione | Sbarra | 1913 | 1666 | 1464 | 1297 | |
| Tasso di iniezione | cm3/s | 1525 | 1751 | 1992 | 2249 | |
| Capacità plastificante | g/s | 191 | 225 | 241 | 258 | |
| Velocità massima della vite | giri/min | 111 | ||||
| UNITÀ DI SERRAGGIO | Forza di serraggio | kN | 18500 | |||
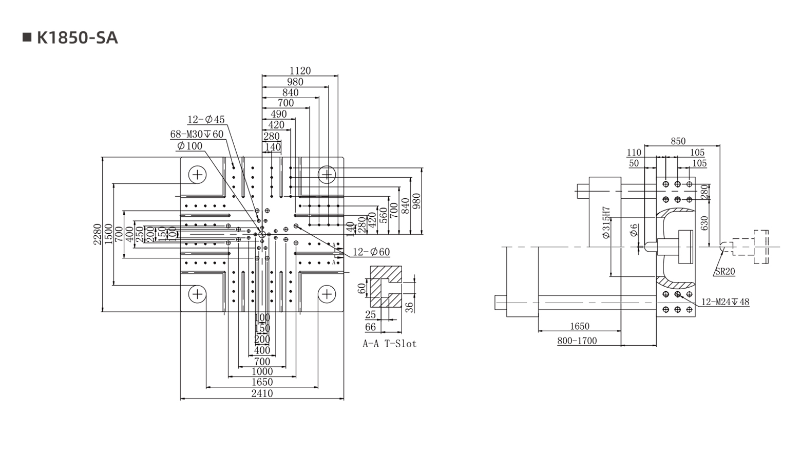
| Spazio tra i tiranti | mm | 1650x1500 | ||||
| Dimensioni delle piastre | mm | 2410x2280 | ||||
| Colpo di apertura | mm | 1650 | ||||
| Altezza minima | mm | 800 | ||||
| Altezza massima dello stampo | mm | 1700 | ||||
| Distanza tra i piani (luce diurna) | mm | 3350 | ||||
| Corsa dell'espulsore | mm | 400 | ||||
| Forza di espulsione | kN | 430 | ||||
| Numero di espulsori | 25 | |||||
| ALIMENTATORE | Pressione del sistema | Sbarra | 175 | |||
| Motore della pompa | kW | 42 54 54 54 | ||||
| Capacità di riscaldamento | kW | 100 | ||||
| GENERALE | Capacità del serbatoio dell'olio | L | 1500 | |||
| Dimensioni della macchina (LxWxH) | m*m*m | 15,6x4,6x5,2 | ||||
| Peso della macchina | t | 130 | ||||
| Capacità della tramoggia | kg | 400 | ||||
| NO | Configurazione dei componenti | Marca | Luogo d'origine | Ambito di configurazione |
| 1 | controllore | Taiwan Techmation (AK628) fresatura di alluminio da 8 pollici | Taiwan | K110-230 |
| 2 | controllore | Taiwan Techmation (TECH1) fresatura di alluminio da 8 pollici | Taiwan | K270-460 |
| 3 | controllore | Taiwan Techmation (TECH2) Fresatura di alluminio da 12 pollici | Taiwan | K530-800 |
| 4 | Servopompa dell'olio | ALTA TECNOLOGIA USA | STATI UNITI D'AMERICA | Gamma completa |
| 5 | servomotore | FASE | Italia | Gamma completa |
| 6 | servoazionamento | FASE | Italia | Gamma completa |
| 7 | Kit servo | GermaniaRexroth | Germania | Opzionale |
| 8 | Valvola di inversione | Giappone YUKEN | Taiwan | Gamma completa |
| 9 | Valvola di inversione | VICKERS USA | STATI UNITI D'AMERICA | Opzionale |
| 10 | Motore pre-plastico | DANDUN | Cina | Gamma completa |
| 11 | Motore regolazione stampo | DANDUN | Cina | Gamma completa |
| 12 | Elemento di tenuta | KHALLITE | Gran Bretagna | Gamma completa |
| 13 | sistema di lubrificazione | HERG | Cina | Gamma completa |
| 14 | Interruttore | SCHNEIDER ELETTRICO | Francia | Gamma completa |
| 15 | interruttore dell'aria | SCHNEIDER ELETTRICO | Francia | Gamma completa |
| 16 | Righello elettronico | Bony | STATI UNITI D'AMERICA | Gamma completa |
| 17 | Righello elettronico | NOVOtek | Germania | Opzionale |
| 18 | Relè a stato solido | FOTEK | Taiwan | Gamma completa |
| 19 | Interruttore di viaggio | SCHNEIDER ELETTRICO | Francia | Gamma completa |
| 20 | Sensore di prossimità | FOTEK | Taiwan | Gamma completa |
| 21 | Canna a vite | TONGDA | Cina | Gamma completa |
Fabbrica di alto livello
Ningbo KSM Machinery Manufacturing Co., Ltd. è una cooperativa con l'Italia specializzata in tecnologie di plastica di alta qualità nella produzione di macchine per lo stampaggio di plastica di alta qualità. La nostra società si trova nel parco industriale di Ningbo Beilun Xing Ao. Abbiamo un certo numero di personale di ricerca e sviluppo e collaboriamo con un gruppo di imprese high-tech. Come professionista Cina K1850-SA-Macchina per lo stampaggio ad iniezione ad alta precisione fornitori E OEM/ODM K1850-SA-Macchina per lo stampaggio ad iniezione ad alta precisione azienda, Produce principalmente macchine per lo stampaggio a iniezione ad alta precisione con una gamma di forze di chiusura da 110 T a 1850 T. I prodotti hanno una struttura ad alta rigidità e sono dotati di elementi idraulici ed elettrici importati, vite utilizzata con testa di miscelazione per avere eccellenti prestazioni di plastificazione ed essere adatti a vari stampaggi ad iniezione di materie plastiche tecniche e sono disponibili ordini speciali degli utenti. Da quando è stata fondata la società, ha sempre prestato attenzione alla reputazione aziendale, alla ricerca scientifica, alla gestione con progetti razionali, si basa su servizi di prevendita, vendita e post-vendita di qualità per conquistare la fiducia e l'approvazione del vasto numero di utenti. Rispettiamo il motto "onesto, continua a migliorare, poniamo l'accento sulla qualità, non rilassarti mai nello sforzo". Sinceramente benvenuti amici di tutti i paesi come guida. L'azienda dispone di un centro di ricerca e sviluppo con una forte forza di sviluppo. Allo stesso tempo, collabora con università e college nazionali per sviluppare e ricercare apparecchiature per la produzione di plastica e iniezione e macchine per lo stampaggio a iniezione. L'azienda dispone di apparecchiature avanzate per il collaudo dei tubi flessibili e di apparecchiature sperimentali. Negli ultimi anni, il centro di ricerca e sviluppo ha ottenuto numerosi risultati nelle macchine per lo stampaggio a iniezione e nelle attrezzature per materie plastiche, nel processo di vulcanizzazione della gomma e nello sviluppo di formulazioni. Invita sinceramente i clienti in patria e all'estero a visitare la nostra fabbrica e attendo con ansia che la tua azienda a lungo termine crei un bellissimo domani per te!
Perché scegliere noi
Disponiamo di un proprio laboratorio di prova e di apparecchiature di ispezione avanzate e complete, in grado di garantire la qualità dei prodotti realizzati dalle nostre apparecchiature.
La nostra capacità produttiva annuale è di oltre 500 macchine per lo stampaggio a iniezione.
Ci concentriamo sullo sviluppo di prodotti di alta qualità per i mercati di fascia alta. I nostri prodotti sono in linea con gli standard internazionali e vengono esportati principalmente in Europa, America, Giappone e altre destinazioni in tutto il mondo.
Siamo a soli 15 chilometri dal porto di Ningbo, è molto conveniente ed efficiente spedire merci in qualsiasi altro paese.
Garantisci alta qualità con la nostra esperienza
La qualità autentica e affidabile si distingue naturalmente e non teme confronti.
Fornirti le ultime novità aziendali e di settore
1. Concetti base degli stampi multicavità Gli stampi multi-cavità si riferiscono all'impo...
1. Prestazioni di efficienza energetica delle macchine per lo stampaggio a iniezione di PET ...
Come attrezzatura chiave nella moderna produzione industriale, l'automazione di Macchine...
Nel processo di stampaggio a iniezione, il sistema di controllo della temperatura dello stampo sv...
Macchine per lo stampaggio ad iniezione di materie plastiche svolgono un ruolo fondamentale...
Nella produzione moderna, gli stampi sono una componente indispensabile e chiave del processo di ...